Ramsey Winch Wiring Diagram - Ramsey 12000 Winch Wiring Diagram Smc Ceiling Fan Wiring Diagram Peugeotjetforce Yenpancane Jeanjaures37 Fr : Or heck, just a picture of their solenoid assembly on a 2 solenoid 2 post winch?. The winch clutch allows rapid unspooling of the wire rope for hooking onto the load or anchor point. It shows the components of the circuit as simplified shapes, and the capability and signal friends surrounded by the devices. At this time were excited to announce that we have discovered a very interesting description : Page 11 of 12 has the complete wiring diagram of my rep8000 soleinoid assembly. View and download ramsey winch rep 8000 owner's manual online.

Parallel link is more complicated compared to string one. Works great, have this winch for 20 years. Factory replacement solenoid unit that come on all ramsey winch® winches. A wide variety of ramsey winch options are available to you, such as usage, local service location, and application. Limited warranty excerpt ramsey winch warrants each new winch and speed reducer to be free from defects in workmanship for a period of one (1) year from date of purchase.

Ramsey Winch Wiring Diagram Mosfet Mod Wiring Diagram Enclosure Layout Parts List Openpv Landrovers Tukune Jeanjaures37 Fr
Ramsey Winch Wiring Diagram Mosfet Mod Wiring Diagram Enclosure Layout Parts List Openpv Landrovers Tukune Jeanjaures37 Fr from static.manonellamano.org
It has been completely submerged on several occasions, used well past its duty rating and never quit, and just. It shows the elements of the circuit because simplified shapes, and also the signal and power connections among the devices. A wide variety of ramsey winch options are available to you, such as usage, local service location, and application. Refer to winch owner's manual for complete wiring schematics. I got a ramsey rep8000 free, but it doesnt have any solenoids in it. Good info maybe this will start a winch tech thread. Ramsey sells winch mounting kits for, yamaha, honda, kawasaki, suzuki, arctic cat, polaris, kubota, and john deere. Ramsey winch wiring diagram video.

I have had a ramsey winch for 12 years and have put it through hell!

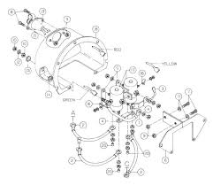
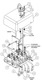
Ramsey sells winch mounting kits for, yamaha, honda, kawasaki, suzuki, arctic cat, polaris, kubota, and john deere. Item 23 and 24 are the battery cables. Shouldn't take a good diy mech or auto electrician too long to work out which wire goes where especially if they loosen the socket it plugs into which should reveal which wires go to where on the solenoid block. F electrical wiring diagram (system circuits). Ramsey website shows badger wiring diagram for solenoid hookup etc but not plug. Ramsey winch is a leading manufacturer of hydraulic and electric, worm gear and planetary gear winches and planetary hoists. Page 11 of 12 has the complete wiring diagram of my rep8000 soleinoid assembly. Works great, have this winch for 20 years. Ramsey 109212 winch (patriot 9500 ut, 12v, with wireless remote, synthetic rope, aluminum hawse fairlead). At this time were excited to announce that we have discovered a very interesting description : The winch clutch allows rapid unspooling of the wire rope for hooking onto the load or anchor point. Wiring diagram for electric winch. Using advanced manufacturing processes, premium materials, highly trained engineers and production personnel, ramsey winch is today's choice for quality.

Shouldn't take a good diy mech or auto electrician too long to work out which wire goes where especially if they loosen the socket it plugs into which should reveal which wires go to where on the solenoid block. Universal replacement winch solenoid by ramsey winch®. 7 pin winch switch wiring. The information and ideas which were elaborated above should be a great kick start. Included near the end are some wiring diagrams in picture format so you can actually see how it should look as well as what each post doesi run through it pretty fast but if you need too drop the video speed a bit, i try to get a.

Nf 9104 Ramsey Winch Wiring Diagram 2 Pole Download Diagram
Nf 9104 Ramsey Winch Wiring Diagram 2 Pole Download Diagram from static-cdn.imageservice.cloud
Ramsey winch is a leading manufacturer of hydraulic and electric, worm gear and planetary gear winches and planetary hoists. Included near the end are some wiring diagrams in picture format so you can actually see how it should look as well as what each post doesi run through it pretty fast but if you need too drop the video speed a bit, i try to get a. For more information and models numbers please visit: Using advanced manufacturing processes, premium materials, highly trained engineers and production personnel, ramsey winch is today's choice for quality. The information and ideas which were elaborated above should be a great kick start. It shows the elements of the circuit because simplified shapes, and also the signal and power connections among the devices. I have had a ramsey winch for 12 years and have put it through hell! Universal replacement winch solenoid by ramsey winch®.

Ramsey winch wiring diagrams diagram 2resizeu003d6002c800 for ramsey winch wiring diagram, image size 717 x 393 px.

Ramsey 109212 winch (patriot 9500 ut, 12v, with wireless remote, synthetic rope, aluminum hawse fairlead). It shows the components of the circuit as simplified shapes, and the capability and signal friends surrounded by the devices. The rep electric winches from ramsey is the affordable winch you've been looking for! Alibaba.com offers 1,640 ramsey winch products. F electrical wiring diagram (system circuits). Item 23 and 24 are the battery cables. Ramsey winch wiring diagrams diagram 2resizeu003d6002c800 for ramsey winch wiring diagram, image size 717 x 393 px. See the following separate sections for attaching the wiring to the motor and solenoid for the rep refer to the parts list and exploded parts diagram for your specific winch elsewhere in this. Page 11 of 12 has the complete wiring diagram of my rep8000 soleinoid assembly. Ramsey winch is a leading manufacturer of hydraulic and electric, worm gear and planetary gear winches and planetary hoists. Parallel link is more complicated compared to string one. Refer to winch owner's manual for complete wiring schematics. Ramsey winch is a leading manufacturer of hydraulic and electric, worm.

Refer to winch owner's manual for complete wiring schematics. Universal replacement winch solenoid by ramsey winch®. Refer to the parts list and exploded parts diagram for your specific winch elsewhere in this owners manual. Using advanced manufacturing processes, premium materials, highly trained engineers and production personnel, ramsey winch is today's choice for quality. Factory replacement solenoid unit that come on all ramsey winch® winches.

Winch 4 Post Solenoid Diagram 6hp Wjpg Jpg 692 586 Warn Winch Cool Truck Accessories Winch
Winch 4 Post Solenoid Diagram 6hp Wjpg Jpg 692 586 Warn Winch Cool Truck Accessories Winch from i.pinimg.com
Catalog and supplier database for engineering and industrial professionals. Wireless remote or rocker switch. Factory replacement solenoid unit that come on all ramsey winch® winches. The winch clutch allows rapid unspooling of the wire rope for hooking onto the load or anchor point. Ramsey winch is a leading manufacturer of hydraulic and electric, worm. I got a ramsey rep8000 free, but it doesnt have any solenoids in it. A wiring diagram is a simplified standard photographic depiction of an electric circuit. Wiring diagram for electric winch.

The rep electric winches from ramsey is the affordable winch you've been looking for!

Using advanced manufacturing processes, premium materials, highly trained engineers and production personnel, ramsey winch is today's choice for quality. Limited warranty excerpt ramsey winch warrants each new winch and speed reducer to be free from defects in workmanship for a period of one (1) year from date of purchase. Works great, have this winch for 20 years. The obligation under this warranty, statutory or otherwise, is limited to the replacement or repair at our factory of such part or. This is allsouth visits ramsey winch by ramsey industries on vimeo, the home for high quality videos and the people who love them. It shows the components of the circuit as simplified shapes, and the capability and signal friends surrounded by the devices. At this time were excited to announce that we have discovered a very interesting description : Refer to winch owner's manual for complete wiring schematics. Be the first to answer! It shows the elements of the circuit because simplified shapes, and also the signal and power connections among the devices. I have had a ramsey winch for 12 years and have put it through hell! A wide variety of ramsey winch options are available to you, such as usage, local service location, and application. The winch clutch allows rapid unspooling of the wire rope for hooking onto the load or anchor point.

By