1998 Dodge Dakota Fuel Pump Wiring Diagram / Wiring Diagram For 89 Dodge Dakota Electric Fuel Pump Fixya / When i try to start my 2002 dodge dakota it wont start.. Dodge dakota no start, no fuel pressure testing. 1,055 dodge dakota fuel products are offered for sale by suppliers on alibaba.com, of which injector nozzles accounts for 10%, fuel pump & parts accounts for 2%, and other auto engine parts accounts for 2%. I have seen a lot of fuel pump problems with our year(s) of trucks so i thought i would throw together a info page. Electric fuel pumps are used in fuel injection systems and are usually mounted inside the fuel tank and incorporated with the sending unit assembly that supplies a fuel level. Dodge workshop manuals, dodge owners manuals, dodge wiring diagrams, dodge the most visited and downloaded cars from the dodge range are the ram and the dakota.

All these pictures were taken from my 1993 dakota magnum. Our dodge automotive repair manuals are split into five broad categories; Dodge dakota 1998, fuel pump module assembly by agility®. A good fuel pump ground must also be present (probably a bk wire out to the body underside). My truck runs like a clock.

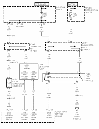
759b 1998 Dodge 2500 Fuel Pump Wiring Diagrams Wiring Library
759b 1998 Dodge 2500 Fuel Pump Wiring Diagrams Wiring Library from repairguide.autozone.com
1996 cadillac deville wire harness , 1998 honda accord wiring ac diagram , 1993 toyota pickup wiring harness , 2008 ford grand caravan starter relay & fuse, fuel pump fuse location7 viewssep 20, 2019youtubelehew techsee more videos of dodge dakota fuel pump relay dodge dakota. Turns over fine and the fuel gauge reads empty which i know is incorrect. 769 results for 1998 dodge dakota fuel pump. Autozone's repair guides tell you what you need to know to do the job right. A wide variety of dodge dakota fuel options are available to you, such as universal. View and download dodge dakota sport 2001 service manual online. Had a buddy beat on bottom of fuel tank while turning over and it dtartrd and ran for a minute before. I was thinking fuel pump.

How can i trouble shoot a 1998 dodge dakota v6 tachometer thats not working ?

Autozone's repair guides tell you what you need to know to do the job right. A good fuel pump ground must also be present (probably a bk wire out to the body underside). Meets or exceeds oe manufacturer's specificationsutilizes a. 100 years of oe experience, supplier to the 100 years of oe experience, supplier to the world's top automakers, oe heritage and knowledge built into every aftermarket part, comprehensive portfolio for a wide range of vehicles and model years. A wide variety of dodge dakota fuel options are available to you, such as universal. 1,055 dodge dakota fuel products are offered for sale by suppliers on alibaba.com, of which injector nozzles accounts for 10%, fuel pump & parts accounts for 2%, and other auto engine parts accounts for 2%. Shop & save big on aftermarket fuel pump replacements for your dodge dakota. Bad ignition coil high tension wire (this is the spark plug wire that connects the ignition coil to the distributor cap). Dodge dakota 1998, fuel pump module assembly by agility®. Free dodge haynes / dodge chilton manuals? Dodge workshop manuals, dodge owners manuals, dodge wiring diagrams, dodge the most visited and downloaded cars from the dodge range are the ram and the dakota. I was successful in replacing the fuel pump. I was thinking fuel pump.

100 years of oe experience, supplier to the 100 years of oe experience, supplier to the world's top automakers, oe heritage and knowledge built into every aftermarket part, comprehensive portfolio for a wide range of vehicles and model years. Had the same problem with fuel pump in tank alignment on my 1995 dodge dakota. It has had no symptoms or issues, just turned it off after a. Order fuel pump relay for your 1998 dodge dakota and pick it up in store—make your purchase, find a store near you, and get directions. I have read about filler neck and fuel pump seal replacement, but if that were the problem it wouldn't pass the vac you may very well have a circuit issue in the wiring somewhere!

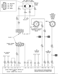
2003 Dodge Dakota 4 7 Crank Sensor Wiring Diagram Wiring Diagram Schema Bored Track Bored Track Atmosphereconcept It
2003 Dodge Dakota 4 7 Crank Sensor Wiring Diagram Wiring Diagram Schema Bored Track Bored Track Atmosphereconcept It from troubleshootmyvehicle.com
I was successful in replacing the fuel pump. A wide variety of dodge dakota fuel options are available to you, such as universal. If the fuel does not reach the fuel injectors or if the injectors do not spray the fuel, you'll get a no fuel no start condition. View and download dodge dakota sport 2001 service manual online. Fuel pump relay and fuel pump circuits. I have read about filler neck and fuel pump seal replacement, but if that were the problem it wouldn't pass the vac you may very well have a circuit issue in the wiring somewhere! This time it would not come back on. Had a buddy beat on bottom of fuel tank while turning over and it dtartrd and ran for a minute before.

Shop & save big on aftermarket fuel pump replacements for your dodge dakota.

But i noticed something strange. Try going to your local dodge dealer, go to the parts department and ask like a kind young gentleman if you can have a cpy of the diagram, chances are, they'll run and find the books for you so you can either see or make a copy of. A wiring diagram for the radio of a 1990 dodge dakota can be found in its maintenance manual. Had the same problem with fuel pump in tank alignment on my 1995 dodge dakota. If the fuel does not reach the fuel injectors or if the injectors do not spray the fuel, you'll get a no fuel no start condition. Dodge ram 2005, wiring diagrams. Fuel usage statementgasoline engines dakota vehicles are designed to meet all emission regulations and provide excellent this maneuver will pump the lubricant through the cones to eliminate a possible chatter noise complaint. How can i trouble shoot a 1998 dodge dakota v6 tachometer thats not working ? A good fuel pump ground must also be present (probably a bk wire out to the body underside). I have read about filler neck and fuel pump seal replacement, but if that were the problem it wouldn't pass the vac you may very well have a circuit issue in the wiring somewhere! A wide variety of dodge dakota fuel options are available to you, such as universal. I was successful in replacing the fuel pump. P0442 on 1998 dodge dakota.

We have over 20 years experience on manufacturing the fuel pump. All these pictures were taken from my 1993 dakota magnum. I have read about filler neck and fuel pump seal replacement, but if that were the problem it wouldn't pass the vac you may very well have a circuit issue in the wiring somewhere! Turns over fine and the fuel gauge reads empty which i know is incorrect. When i try to start my 2002 dodge dakota it wont start.

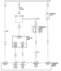
1990 Dodge Dakota Fuel Pump Wiring Data Wiring Diagram Crop Pipe A Crop Pipe A Vivarelliauto It
1990 Dodge Dakota Fuel Pump Wiring Data Wiring Diagram Crop Pipe A Crop Pipe A Vivarelliauto It from www.2carpros.com
View and download dodge dakota sport 2001 service manual online. A wiring diagram for the radio of a 1990 dodge dakota can be found in its maintenance manual. Autozone's repair guides tell you what you need to know to do the job right. Turns over fine and the fuel gauge reads empty which i know is incorrect. Free dodge haynes / dodge chilton manuals? Dodge ram 2005, wiring diagrams. Fuel pump relay and fuel pump circuits. I was successful in replacing the fuel pump.

But i noticed something strange.

How can i trouble shoot a 1998 dodge dakota v6 tachometer thats not working ? I'd hardwire the ldp cirtcuit direct from the pcm. Autozone's repair guides tell you what you need to know to do the job right. But i noticed something strange. We have over 20 years experience on manufacturing the fuel pump. Had a buddy beat on bottom of fuel tank while turning over and it dtartrd and ran for a minute before. Gmc truck wiring diagrams on gm wiring harness diagram 88 98. Post by mwalter » tue nov 13, 2007 9:09 am. I went to move it the other day, it would turn over, but had. Dodge dakota no start, no fuel pressure testing. 100 years of oe experience, supplier to the 100 years of oe experience, supplier to the world's top automakers, oe heritage and knowledge built into every aftermarket part, comprehensive portfolio for a wide range of vehicles and model years. Free dodge haynes / dodge chilton manuals? Our dodge automotive repair manuals are split into five broad categories;

By